致力于技术创新,不断满足广大客户的需求
双凹透镜与平凹透镜类似,焦距为负,可是平行入射的光线向外发散,双凹透镜的两个侧面曲率半径相等,一般用于扩束光线,和投影等系统中增加焦距。双凹透镜的焦距也为负值,也将会发散入射平行光线,在物方的一个虚拟焦点,双凹透镜通常适用于绝对共轭比接近1:1 的应用场合。
材料:K9,紫外石英,ZF玻璃
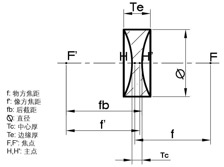
焦距(f’):±2%@587.6nm
尺寸公差:+0/-0.2m
中心厚度公差:±0.1mm
中心偏:3ˊ
光圈:1~5
局部光圈:0.2~0.5
表面光洁度:60-40 ,40-20
通光孔径:>90%
镀膜:增透膜

使用注意事项:
1.使用时请戴好手指套,不要用手指直接触碰双凹透镜表面,以免残留的手指影响光学透镜通光效果。
2.如双凹透镜表面脏时,可用无尘沾上酒精擦拭镜片表面。不可用表面很粗糙的布或纸或沾水擦拭,否则会损坏双凹透镜表面。
3.检查光路各调整光轴时,请一定做好相应的防护。
4.如果用了双凹透镜后系统效果还是不好,请把详细光路系统告诉我们,我们来帮您分析原因,让您少走很多冤枉路。(当然,我们会对客户的方案保密,尽可放心!和客户一起成长是我们不变的宗旨)。