致力于技术创新,不断满足广大客户的需求
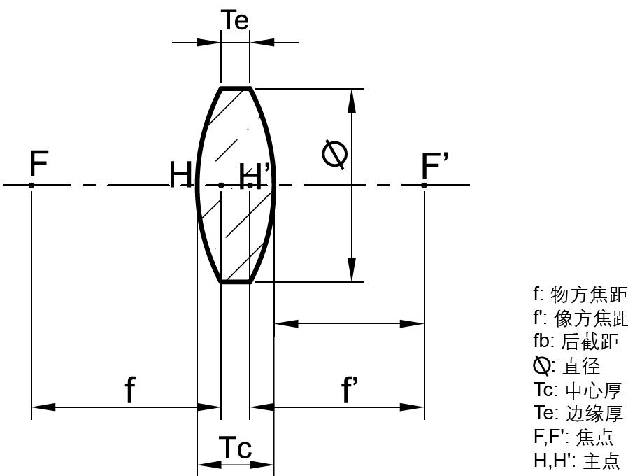
材料:K9 、熔融石英
中心偏差:3°
焦距(f'):±2%@587.6nm
光圈:1~5
直径公差 (φ):+0.0/-0.20
局部光圈:0.2~0.5
中心厚度 公差(Tc):±0.1
光洁度:40-20,60-40
镀膜:MgF2增透膜
通光孔径:>90%
双凸透镜与平凸透镜类似,双凸透镜也具有正的焦距,也可以聚焦平行光束。由于双凸透镜的前后表面都是凸球面,并且曲率半径相等,因此在物象距离相等或者近似相等的应用场合中,双凸透镜可以明显地减小球差,同时也可以改善彗差和畸变。当共轭比在5:1 和1:5 之间时,双凸透镜引入的像差最小。

使用注意事项:
1.使用时请戴好手指套,不要用手指直接触碰双凸透镜表面,以免残留的手指影响光学透镜通光效果。
2.如双凸透镜表面脏时,可用无尘沾上酒精擦拭镜片表面。不可用表面很粗糙的布或纸或沾水擦拭,否则会损坏双凸透镜表面。
3.检查光路各调整光轴时,请一定做好相应的防护。
4.如果用了双凸透镜后系统效果还是不好,请把详细光路系统告诉我们,我们来帮您分析原因,让您少走很多冤枉路。(当然,我们会对客户的方案保密,尽可放心!和客户一起成长是我们不变的宗旨)。